DCC Servo Dekoder

Aus Digital Modellbahn

Eigenbau | Allgemein | Railcom | DCC-Dekoder | Servo-Dekoder | Spezialdekoder

4x Motorweichen

Für die Weichenansteuerung nutze ich die 4 Ausgänge Schaltdecoder von Sven Brandt (www.digital-bahn.de):

Motorweichenantrieben können mit einem Relais gesteuert werden. Diese Schalten eine Phase der 16V~ für die Motorantriebe. Mit einem Doppelumschaltkontakt am Relais, kann der zweite Kontakt zum Beispiel für eine Herzstückpolarisierung eingesetzt werden.

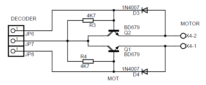
Motorweichenadapter.png Soll kein Relais verwendet werden kann der Adapter für Motorweichen ORM-1 von Rocrail verwendet werden - Vergleichbar ist dieser mit dem LENZ 11010 (LA 010) oder ROCO 10775.

6x Servo Weichendekoder

Arduino DCC 6x Servo Dekoder schematic (Eagle)

Als MCU arbeitet ein Arduino UNO welcher sechs Servos ansteuert. Programmiert werden die Endlagen und Stellgeschwindigkeiten mittels drei Knöpfen auf der Schaltung.

Sketch

 Die LocoNet Funktion ist aktuell noch nicht im Sketch umgesetzt.

  • Download - DCC 6x Servodekoder für Weichen